Wanted  International  Stockist / Distributors
8mm Encoder 3

Alpha Products Inc - 351 Irving Drive, Oxnard, CA 93030, USA - Tel: 805-981-8666 - Fax: 805-988-6555 - Contact Us

Corporate Website

Send Your Specs

Contact Us

Std. Tapers

Request for Quote

Part Number

Model number

Shaft

Style

Clicks

3EN/825

E

A1

16

Select Part Numbers from the table then click on the “Request a Quote” Button to send your requirements for Price and Delivery. If you need custom product please use the “Send your Specs” Button

Electrical Characterisics

Mechanical Characteristics

Rated Power

10mA @5V DC

Total Rotational Angle

300 deg

Insulation Resistance

100MOhm min @250V DC

Push / pull Strength

5 kgf / 3 kgf

 

 

Click Position

16

 

 

Rotation Torque

20 ~ 150 gf/cm

Life

15,000 cycles

Type Of Shaft

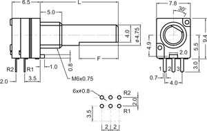
CODE

F

G

DIM “L”

17.0

18.0

DIM “F”

8.0

9.0

Pin Output

Terminals

Clicks

1

2

3

4

5

6

7

8

9

10

11

12

13

14

15

16

R1

1 - 2

0

1

1

0

0

1

1

0

0

0

1

1

0

0

1

1

2 - 3

1

1

0

0

1

1

0

0

0

1

1

0

0

1

1

0

R2

1 - 2

1

1

0

1

0

0

1

1

0

0

1

1

0

1

0

0

2 - 3

0

0

1

1

1

1

0

0

0

0

1

1

1

1

0

0

Disclaimer: Alpha Products, Inc. makes no warranties, expressed or implied, including warranties of merchant ability or fitness /suitability for a particular purpose or application. Under no circumstances shall Alpha Products, Inc. be liable for incidental, consequential, or other damages from alleged negligence, breach of warranty, strict liability, tort, contract, or any other theory, arising out of the use, non use, or handling of these products.
Alpha Products Inc. reserves the right to discontinue, modify, amend and / or change any product, specification or service at any time without any obligation of providing any notice.

Site Created by: Tarola International / USA  Hosted by Tarola.Net - Copyright 2006-2014.
Copying or
Duplicating of any part of this website in any form without written permission form Alpha Products Inc. is strictly forbidden

NOTE

Our webhosting provider is currently unable to transfer the data from our webforms to us by email!

To be sure we receive your requests, please fill the form then copy it and email it to
 
Web@alpha-products.com
or Fax to:
1 805 988 6555

We regret the inconvenience this might cause. We are trying to find a suitable fix and thank you for your patience.