Wanted
International
Stockist / Distributors
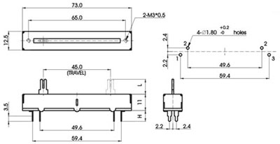
12.5mm Slide Potentiometer 5

Alpha Products Inc - 351 Irving Drive, Oxnard, CA 93030, USA - Tel: 805-981-8666 - Fax: 805-988-6555 - Contact Us

Corporate Website

Send Your Specs

Other Catalogs

Contact Us

Std. Tapers

Request for Quote

Part Number

Model number

Lever

Terminal

Taper

Value in Ohms

3SP/S4540N

Select Part Numbers from the table then click on the “Request a Quote” Button to send your requirements for Price and Delivery. If you need custom product please use the “Send your Specs” Button

Circuit

Electrical Characterisics

Mechanical Characteristics

Resistance Values

5 KOhm ~ 1MOhm +/- 20%

Operating Force

20 ~ 200 gf

Resistance Taper

A, B, C, D, K, W

Stop Strength

5 kgf

Residual Resistance

50 Ohm max

Push / Pull Strength

3 kgf

Rated Power

0.25W max

Lever Deviation

0.5 max (one side)

Operating Voltage

500V AC max

Life

15,000 cycles

Insulation Resistance

100MOhm min @250V DC

Gang Error

3 dB max

Type Of Lever

CODE

F

A

B

C

D

E

DIM “L”

8.5

10.0

15.0

20.0

25.0

27.0

DIM “F”

5.0

5.0

10.0

10.0

10.0

10.0

CODE

1

3

4

DIM “L”

10.0

15.0

20.0

DIM “F”

7.0

10.0

10.0

DIM “M”

6.0

7.0

7.0

CODE

H

I

DIM “L”

8.5

10.0

DIM “F”

7.0

10.0

DIM “W”

4.0

5.0

CODE

L

M

DIM “L”

15.0

20.0

CODE

P

Q

R

J

S

DIM “L”

7.0

8.0

10.0

15.0

25.0

CODE

T

U

DIM “L”

16.0

20.0

DIM “M”

11.0

12.0

DIM “F”

11.0

10.0

CODE

W

X

Y

Z

DIM “L”

10.0

15.0

20.0

25.0

DIM “F”

5.0

10.0

10.0

10.0

CODE

8

DIM “L”

10.0

Type Of Terminal

CODE

A1

A2

DIM “H”

7.0

8.5

CODE

B1

DIM “H”

7.0

Disclaimer: Alpha Products, Inc. makes no warranties, expressed or implied, including warranties of merchant ability or fitness /suitability for a particular purpose or application. Under no circumstances shall Alpha Products, Inc. be liable for incidental, consequential, or other damages from alleged negligence, breach of warranty, strict liability, tort, contract, or any other theory, arising out of the use, non use, or handling of these products.
Alpha Products Inc. reserves the right to discontinue, modify, amend and / or change any product, specification or service at any time without any obligation of providing any notice.

 Site Created by: Tarola International / USA  Hosted by Tarola.Net - Copyright 2006-2014.
 Copying or
Duplicating,of any part of this website in any form without written permission form Alpha Products Inc. is strictly forbidden