Wanted
International
Stockist / Distributors
12mm Rotary Potentiometer 28

Alpha Products Inc - 351 Irving Drive, Oxnard, CA 93030, USA - Tel: 805-981-8666 - Fax: 805-988-6555 - Contact Us

Corporate Website

Send Your Specs

Other Catalogs

Contact Us

Std. Tapers

Request for Quote

Part Number

Model number

Shaft code

Style

Taper

Value in Ohms

3RP/1216G

A1

Select Part Numbers from the table then click on the “Request a Quote” Button to send your requirements for Price and Delivery. If you need custom product please use the “Send your Specs” Button

Circuit

Electrical Characterisics

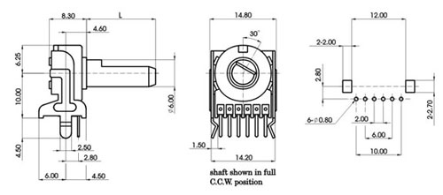
Mechanical Characteristics

Resistance Values

5 KOhm ~ 2 MOhm  +/- 20%

Total Rotational Angle

300 deg +/- 10 deg

Resistance Taper

A, B, C

Rotational Torque

20 ~ 150 gf/cm

Residual Resistance

0.1% max of total resistance

Rotational Stop Strength

4 kgf/cm

Rated Power

taper A, C = 0.02W
taper B = 0.04W

Push / Pull Strength

4 kgf/cm

Operating Voltage

taper A, C = 50V
taper B = 100V

Click Position

Center

Insulation Resistance

50MOhm min @250V DC

LIfe

15,000 cycles

Gang Error

3dB max

Type Of Shaft

CODE

L

K

I

J

A

H

B

C

DIM “L”

5.0

7.0

10.0

10.0

15.0

15.0

20.0

25.0

DIM “F”

5.0

7.0

7.0

8.0

7.0

12.0

12.0

12.0

CODE

V

W

Y

Z

DIM “L”

5.0

10.0

15.0

20.0

DIM “T”

5.0

10.0

15.0

15.0

CODE

N

O

R

DIM “L”

10.0

15.0

20.0

DIM “T”

7.0

10.0

12.0

Disclaimer: Alpha Products, Inc. makes no warranties, expressed or implied, including warranties of merchant ability or fitness /suitability for a particular purpose or application. Under no circumstances shall Alpha Products, Inc. be liable for incidental, consequential, or other damages from alleged negligence, breach of warranty, strict liability, tort, contract, or any other theory, arising out of the use, non use, or handling of these products.
Alpha Products Inc. reserves the right to discontinue, modify, amend and / or change any product, specification or service at any time without any obligation of providing any notice.

 Site Created by: Tarola International / USA  Hosted by Tarola.Net - Copyright 2006-2014.
 Copying or
Duplicating,of any part of this website in any form without written permission form Alpha Products Inc. is strictly forbidden